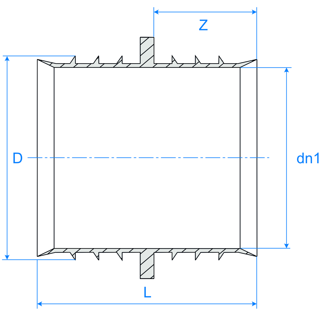
Home Water Repair Products Repair Sleeve Repair Sleeve Friatec Repair Sleeve / RW Product Code dn1 D d L Z Availability in Hong Kong P3316.201.032 32 27 21.2 35 16 8-12 Weeks P3316.201.050 50 42 35.6 35 16 8-12 Weeks P3316.201.063 63 52.5 45.9 47 22 8-12 Weeks