Blue Flange Adaptors
Flange Adaptor / Long Spigot / PN16 / SDR11
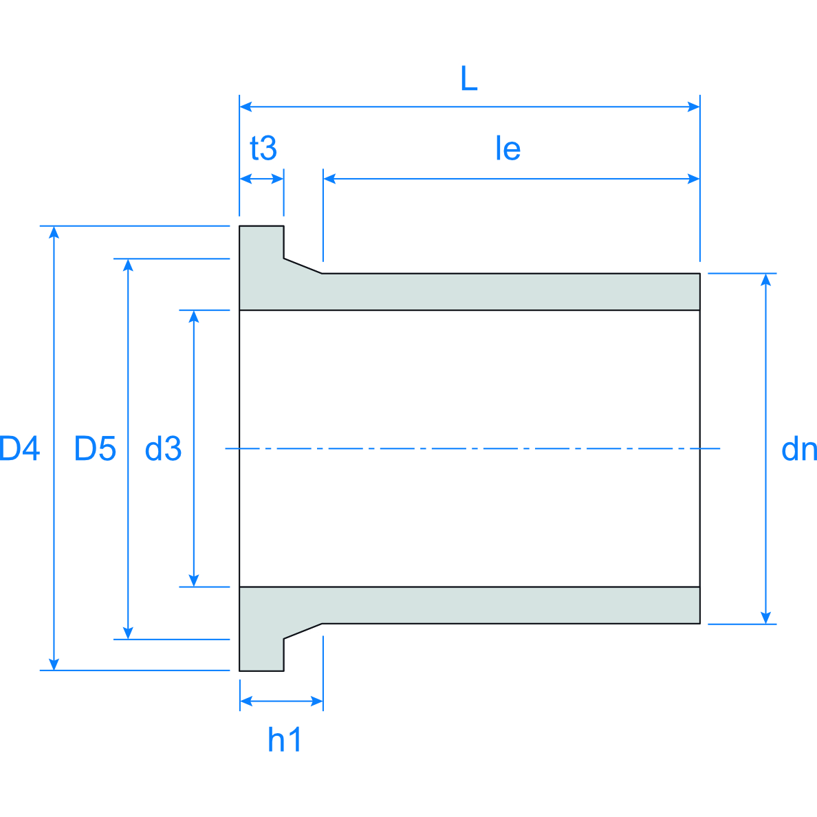
Standard PE100 flange adaptor complying to ISO 9624 SDR 11. Injection moulded in PE100 RC blue compound, with an extra-long spigot to allow fastener removal once fused in place. Loose backing flanges, fasteners and gaskets are not included with standard flange adaptors.
| PE standard flange adaptors in sizes ≥ dn250 create a large internal step on each side of the joint (See the Fig. below) when they are bolted to matching flange patterns of DI valves and DI or Steel fittings. For sizes ≥ dn250 a full-face flange assembly is required to directly bolt a DI valve or fitting to PE flange adaptor to match the internal nominal bore (not creating a large internal step). All standard PE flange adaptors of any size are suitable for PE to PE pipe joints without creating an internal step. | |||||||||
| WSD PS require full face flange assemblies to be used on sizes > DN150. | |||||||||
| AoR dimensions are available on request, please contact us. | |||||||||
| Product Code | dn | D5 | D4 | d3 | le | t3 | L | h1 | Availability in Hong Kong |
| P5826.135.090 | 90 | 103 | AoR | 73 | AoR | AoR | 127 | 40 | Ex-Stock |
| P5826.135.125 | 125 | 130 | AoR | 101 | AoR | AoR | 152 | 48 | Ex-Stock |
| P5826.135.180 | 180 | 185 | AoR | 146 | AoR | AoR | 184 | 50 | Ex-Stock |
| P5826.135.250 | 250 | 283 | AoR | 202 | AoR | AoR | 200 | 53 | Ex-Stock |
| P5826.135.315 | 315 | 333 | AoR | 255 | AoR | AoR | 258 | 60 | Ex-Stock |
