ReinoGrip Fittings
Reinert-Ritz offers large diameter push-fit solution for repairs on PE pipes where wet working conditions prevent typical PE connection methods. The patented RinoGrip system incorporates an encapsulated integral flange meaning no ferrous materials are exposed to the environment, making it ideal for permanent emergency repairs and transition to other materials without risk of corrosion long term.
REINOGRIP can be rapidly installed in wet trenches, below water or even below sea level to connect or repair PE pipes underwater where fusion is not possible. ReinoGrip is fully pressure rated for SDR 11 / PN16 in sizes up to dn450 available on request.
A wider product range, including repair joiners and other fittings, are available.
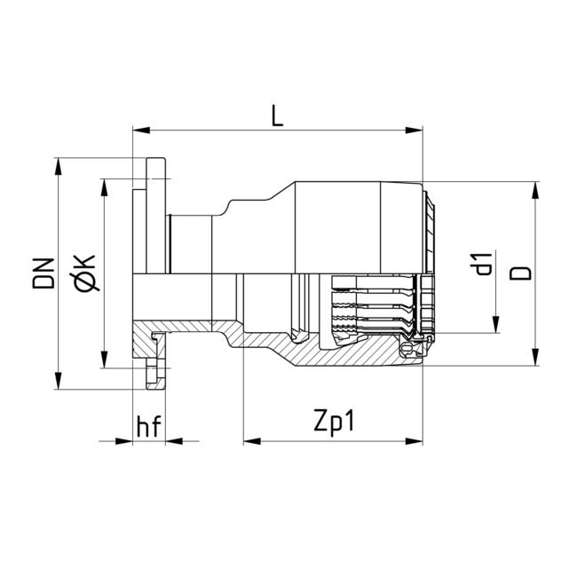
| 'AoR' Dimensions are available on request, please contact us. | |||||||||
| DN | d1 | zp1 | ØK | n x Ød | Bolts | hF* | D | L | kg |
| 80 | 90 | 140 | 160 | 8x18 | M16 | 40 | 152 | 240 | 3.5 |
| 100 | 110 | 170 | 180 | 8x18 | M16 | 43 | 175 | 275 | 4.7 |
| Non-Std Size | 125 | 172 | 180 | 8x18 | M16 | 51 | 190 | 280 | 4.8 |
| 150 | 160 | 183 | 240 | 8x22 | M20 | 57 | 234 | 297 | 9.6 |
| Non-Std Size | 180 | 211 | 240 | 8x22 | M20 | 63 | 260 | 328 | 10.1 |
| 200 | 250 | AoR | - | - | - | - | - | - | - |
| 300 | 355 | AoR | - | - | - | - | - | - | - |
| 350 | 400 | AoR | - | - | - | - | - | - | - |
| 400 | 450 | AoR | - | - | - | - | - | - | - |
