Black Equal Tees / EF / SP
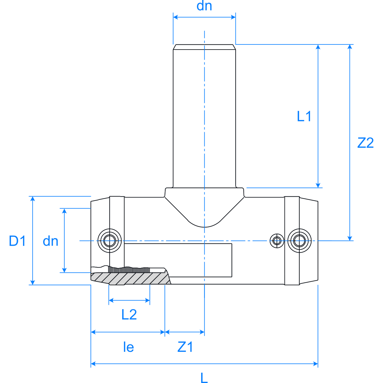
Black Electrofusion Equal Tee / Spigot Offtake / TA / PN16 / SDR11
Friatec's PE100 Injection moulded electrofusion Tees are suitable for fusing pipes from SDR11 to SDR17.6 Electrofusion sockets feature all the same performance benefits found in black couplers, along with built-in reinforcement, so no de-ration is required.
Injection moulded tee piece with electrofusion sockets on the main way and an extra-long spigot branch outlet for connection using a black MB coupler.
NOTE: The pipe ends and sockets must be prepared in accordance with the general installation instructions using a spigot mechanical peeler, 90% Isopropyl alcohol wipes and we recommend using the Friamat fusion control unit to achieve correct preheating and logging the full range of weld data available.
| Product complies with the WSD PS however typically blue moulded electrofusion tees would be used in these sizes in Hong Kong. | |||||||||
| Subject to the Engineers approval, this product can be used in above-ground PN16 applications that require PN20 fittings for the purpose of thermal de-ration. Socket fittings do not require thermal de-ration as the fitting is reinforced, due to sockets overlapping the spigots. This statement is only applicable for fittings operating at up to PN16 Maximum Operating Pressure. | |||||||||
|
Product Code |
dn |
D1 |
L |
L1 |
L2 |
le |
Z1 |
Z2 |
Availability in Hong Kong |
|
P3316.120.025 |
25 |
36 |
108 |
41 |
19 |
66 |
13 |
92 |
8-12 Weeks |
|
P3316.120.032 |
32 |
44 |
116 |
39 |
22 |
80 |
19 |
109 |
8-12 Weeks |
|
P3316.120.050 |
50 |
67 |
175 |
49 |
28 |
110 |
38 |
152 |
8-12 Weeks |
|
P3316.120.063 |
63 |
81 |
197 |
56 |
33 |
115 |
42 |
162 |
8-12 Weeks |
|
P3316.120.090 |
90 |
116 |
280 |
79 |
43 |
79 |
61 |
161 |
8-12 Weeks |
Black Electrofusion Equal Tee / T / PN16 / SDR11
Friatec's PE100 Injection moulded electrofusion Tees are suitable for fusing pipes from SDR11 to SDR17.6 Electrofusion sockets feature all the same performance benefits found in black couplers, along with built-in reinforcement, so no de-ration is required.
NOTE: The pipe ends and sockets must be prepared in accordance with the general installation instructions using a spigot mechanical peeler, 90% Isopropyl alcohol wipes and we recommend using the Friamat fusion control unit to achieve correct preheating and logging the full range of weld data available.
| Product complies with the WSD PS however typically blue moulded electrofusion tees would be used in these sizes in Hong Kong. | ||||||||
| Subject to the Engineers approval, this product can be used in above-ground PN16 applications that require PN20 fittings for the purpose of thermal de-ration. Socket fittings do not require thermal de-ration as the fitting is reinforced, due to sockets overlapping the spigots. This statement is only applicable for fittings operating at up to PN16 Maximum Operating Pressure. | ||||||||
|
Product Code |
dn |
D1 |
L |
L1 |
L2 |
Z1 |
Z2 |
Availability in Hong Kong |
|
P3316.122.090 |
90 |
117 |
305 |
79 |
44 |
73.5 |
153 |
8-12 Weeks |
|
P3316.122.125 |
125 |
160 |
384 |
87 |
44 |
105.0 |
192 |
8-12 Weeks |
|
P3316.122.180 |
180 |
228 |
480 |
103 |
62 |
137.0 |
240 |
8-12 Weeks |
Black Electrofusion Equal Tee / T XL / PN16 / SDR11
Friatec's PE100 XL range of electrofusion Tee's are suitable for fusing pipes from SDR11 to SDR17.6 Electrofusion sockets feature all the same performance benefits found with black couplers along with built-in reinforcement, so no de-ration is required. XL fittings have separate fusion zones and a fused eyebolt for ease of handling on site.
NOTE: The electrofusion socket and pipe ends must be prepared in accordance with the general installation instructions using a spigot mechanical peeler, 90% Isopropyl alcohol wipes and we recommend using the Friamat fusion control unit to achieve correct preheating and logging the full range of weld data available.
| Typically blue moulded spigot tees and couplers would be used in these sizes in Hong Kong. | ||||||||
|
Product Code |
dn |
D1 |
L |
L1 |
L2 |
Z1 |
Z2 |
Availability in Hong Kong |
|
P3316.122.250 |
250 |
310 |
770 |
128 |
80 |
514 |
257 |
8-12 Weeks |
|
P3316.122.315 |
315 |
396 |
940 |
150 |
80 |
640 |
322 |
8-12 Weeks |
Black Spigot Equal Tee / Fabricated
Fabricated Tee's are manufactured by machining PE100+ hollow bar into a fitting body and welding on spigot ends in according with BS ISO 21307. Fabricated Tee's feature long spigots for electrofusion or butt fusion joining and 1D and 2D bar code stickers for complete product traceability. All Tee's are sealed in individual plastic bags for protection on site.
NOTE: The spigot ends must be prepared in accordance with the general installation instructions using a spigot mechanical peeler, 90% Isopropyl alcohol wipes.
| Larger sizes up to dn1000 are available in SDR 11 rating, dimensions on request. For smaller sizes use electrofusion tees above. | ||||||||||
| PN10 SDR17 fully complies with WSD PS, however only where the engineer allows the use of PN10 fittings. | ||||||||||
| Larger sizes up to dn2000 are available in PN10 SDR17 rating, dimensions on request. | ||||||||||
| dn800 is the largest sizes pipe in SDR9 rated pipe. | ||||||||||
| PN10 SDR17 | PN16 SDR11 | PN20 SDR9 | dn1 | dn2 | L | le1 | le2 | Z1 | Z2 | Availability in Hong Kong |
| - | - | P5317.40.180 | 180 | 180 | 545 | 150 | 220 | 273 | 340 | 6-8 weeks |
| - | P5316.40.250 | P5317.40.250 | 250 | 250 | 830 | 250 | 220 | 415 | 380 | 6-8 weeks |
| - | P5316.40.315 | P5317.40.315 | 315 | 315 | 1005 | 300 | 220 | 503 | 418 | 6-8 weeks |
| P5314.40.355 | P5316.40.355 | P5317.40.355 | 355 | 355 | 1045 | 300 | 280 | 523 | 498 | 6-8 weeks |
| P5314.40.450 | P5316.40.450 | P5317.40.450 | 450 | 450 | 1160 | 300 | 280 | 580 | 555 | 6-8 weeks |
| P5314.40.500 | P5316.40.500 | P5317.40.500 | 500 | 500 | 1310 | 350 | 320 | 655 | 620 | 6-8 weeks |
| P5314.40.560 | P5316.40.560 | P5317.40.560 | 560 | 560 | 1380 | 350 | 320 | 690 | 655 | 6-8 weeks |
| P5314.40.630 | P5316.40.630 | P5317.40.630 | 630 | 630 | 1450 | 350 | 320 | 725 | 690 | 6-8 weeks |
| P5314.40.710 | P5316.40.710 | P5317.40.710 | 710 | 710 | 1530 | 350 | 400 | 765 | 810 | 6-8 weeks |
| P5314.40.800 | P5316.40.800 | P5317.40.800 | 800 | 800 | 1660 | 350 | 400 | 830 | 875 | 6-8 weeks |
| P5314.40.900 | P5316.40.900 | - | 900 | 900 | 1860 | 400 | 500 | 930 | 1020 | 10-12 Weeks |
| P5314.40.1000 | P5316.40.1000 | - | 1000 | 1000 | 1960 | 400 | 500 | 980 | 1070 | 10-12 Weeks |
| P5314.40.1200 | - | - | 1200 | 1200 | 2170 | 400 | 600 | 1085 | 1270 | 10-12 Weeks |
| P2314.40.1400 | - | - | 1400 | 1400 | AoR | AoR | AoR | AoR | AoR | Contact us |
| P2314.40.1600 | - | - | 1600 | 1600 | AoR | AoR | AoR | AoR | AoR | Contact us |
| P2314.40.1800 | - | - | 1800 | 1800 | AoR | AoR | AoR | AoR | AoR | Contact us |
| P2314.40.2000 | - | - | 2000 | 2000 | AoR | AoR | AoR | AoR | AoR | Contact us |
