Blue Flange Assemblies
Flange Assembly / Standard / Long Spigot / PN16 / SDR11
Standard flange adaptor complying to ISO 9624 SDR 11, injection moulded in PE100 RC blue compound, with an extra-long spigot to allow fastener removal once fused in place. Supplied with an FBE coated loose steel backing flange, dimensionally complying to EN 1092-1 PN16 and coated in accordance with WIS 4-52-01. The DN of the loose backing flange matches the PE pipes nominal size (d3), within 10% of the stated DN. Fasteners and gaskets are not included with this flange assembly.
| AoR dimensions are available on request, please contact us. | |||||||||||||
|
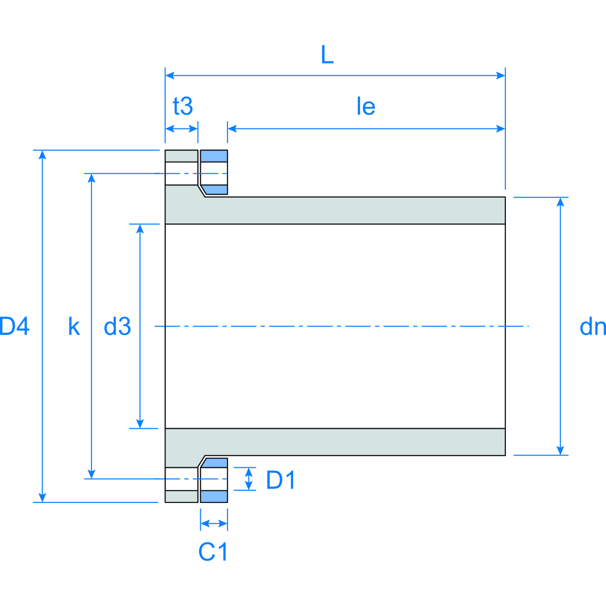
Standard PE Flange Adaptor Blue PN16 SDR11 |
Loose Backing Flange EN1092 PN16 |
||||||||||||
|
Product Code |
dn x DN |
dn |
D4 |
d3 |
le |
t3 |
L |
DN |
D |
k |
C1 |
D1 |
No. of Holes |
|
P5826.J6.090080 |
90 x 80 |
90 |
AoR |
72.8 |
AoR |
AoR |
127 |
80 |
AoR |
160 |
AoR |
18 |
8 |
|
P5826.J6.125100 |
125 x 100 |
125 |
AoR |
101.1 |
AoR |
AoR |
152 |
100 |
AoR |
180 |
AoR |
18 |
8 |
|
P5826.J6.180150 |
180 x 150 |
180 |
AoR |
145.6 |
AoR |
AoR |
184 |
150 |
AoR |
240 |
AoR |
22 |
8 |
Flange Assembly / Full Face Straight / Long Spigot / PN16 / SDR11
Full face flange adaptor, SDR 11 PE drilled to EN 1092-1 PN16. Injection moulded in PE100 RC or machined from PE100+ blue hollow bar with an extra-long spigot to allow fastener removal once fused in place. Supplied with a matching FBE coated loose steel backing flange, complying to EN 1092-1 PN16 and coated in accordance with WIS 4-52-01. The DN of the loose backing flange matches the PE pipes nominal size (d3), within 10% of the stated DN. Fasteners and gaskets are not included with this flange assembly
NOTE: This flange adaptor is not rotatable once fused to the pipe. Flange adaptor bolt holes should be aligned with the valve flange bolt holes before fusing to the pipe, to ensure the valves axis is vertical after fixing.
| Click here to understand why Full Face flange adaptors are required. | |||||||||||||
| AoR dimensions are available on request, please contact us. | |||||||||||||
|
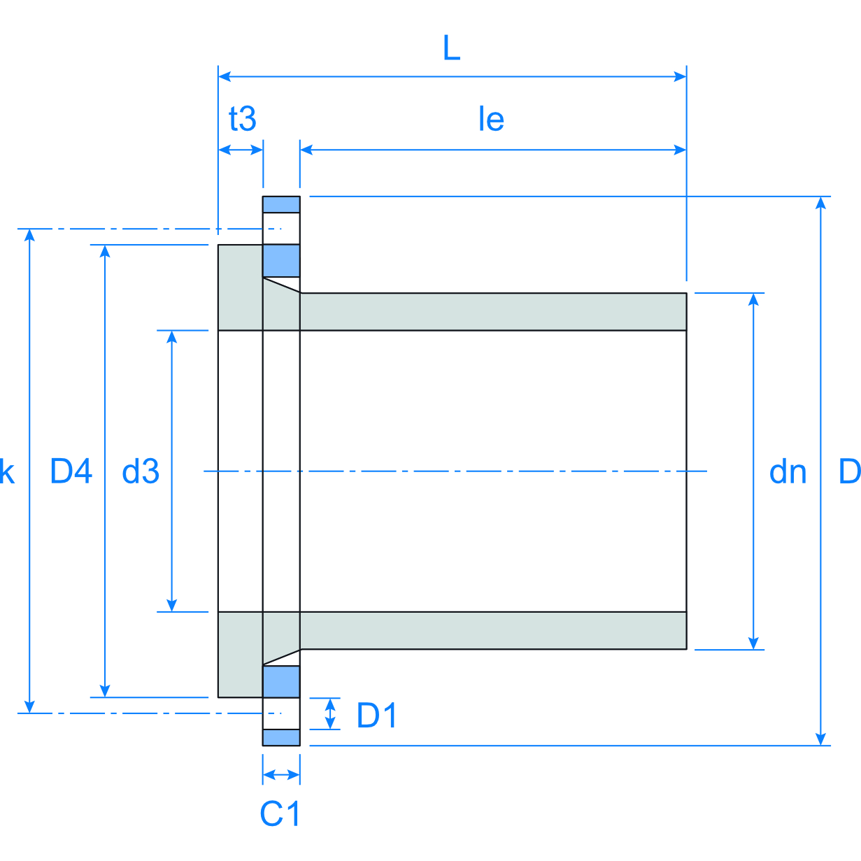
Full Face PE Flange Adaptor Blue SDR11 - Drilled EN19092 PN16 |
Loose Backing Flange EN1092 PN16 |
||||||||||||
|
Product Code |
dn x DN |
dn |
D4 |
d3 |
le |
t3 |
L |
DN |
D |
k |
C1 |
D1 |
No. of Holes |
|
P5326.FG.250200 |
250 x 200 |
250 |
AoR |
202 |
AoR |
AoR |
325 |
200 |
AoR |
295 |
AoR |
22 |
12 |
|
P5326.FG.315250 |
315 x 250 |
315 |
AoR |
255 |
AoR |
AoR |
360 |
250 |
AoR |
355 |
AoR |
26 |
12 |
Flange Assembly / Standard / Long Spigot / PN16 / SDR11
Standard flange adaptor complying to ISO 9624 in SDR 11 rated for PN16. Injection moulded in PE100 RC or machined from PE100+ blue hollow bar, with an extra-long spigot to allow fastener removal once fused in place. Supplied with an FBE coated loose steel backing flange, complying to EN 1092-1 PN16 and coated in accordance with WIS 4-52-01. Fasteners and gaskets are not included with this flange assembly.
The sizes given below are suitable for connecting PE pipe to PE pipe via flanged joints, however, flanged connections to other materials, (such as DI valves and fittings) will create an undesirable internal step at the interface between the PE and DI flanges.
Example: In the table below, PE pipe & flange adaptor ID (d3) is 202.3mm (effectively DN200) and the loose steel backing flange bolts to a 250mm DI flange (DN250). This combination creates a 24mm internal step on each side of the joint. Such a joint also requires a larger DN250 valve or fitting to be used in a DN200 pipeline, adding unnecessary cost. The alternate is a full-face flange assembly from the table above which will bolt directly to a DN200 DI valve or fitting.
NOTE: A standard SDR 11 flange Adaptor has an ID given below in d3. This ID (d3) does not match the loose backing flanges Nominal Diameter (DN). A significant internal step is created between the PE flange adaptors nominal ID and the connecting DI valve or fittings nominal ID. Refer to the illustration below.
| WSD PS require Full Face Flange assemblies to be used on sizes > DN150. | |||||||||||||
| AoR dimensions are available on request, please contact us. | |||||||||||||
|
Standard PE Flange Adaptor Blue PN16 SDR11 |
Loose Backing Flange EN1092 PN16 |
||||||||||||
|
Product Code |
dn x DN |
dn |
D4 |
d3 |
le |
t3 |
L |
DN |
D |
k |
C1 |
D1 |
No. of Holes |
|
P5826.J6.250250 |
250 x 250 |
250 |
AoR |
202.3 |
AoR |
AoR |
200 |
250 |
AoR |
355 |
AoR |
26 |
12 |
|
P5826.J6.315300 |
315 x 300 |
315 |
AoR |
254.9 |
AoR |
AoR |
258 |
300 |
AoR |
410 |
AoR |
26 |
12 |
