Blue Moulded Air Tees
Blue Moulded Air Valve Tees / PN16 / SDR11
The Mill-Pro PE100 RC Injection moulded spigot air valve Tees are typically used for attaching air valves via a flanged connection, cut into the pipeline or installed during construction. They are manufactured using Mill-Pro's own tooling under our continuous inspection. They feature long spigots for electrofusion or butt fusion joining and built-in reinforcement that exceeds the type testing requirements of BS EN 12201-2 and ISO 4427-3. Mill-Pro fittings feature hard moulded brand, batch numbers for compliance checking and 1D and 2D bar code stickers for complete product traceability. All Tee's are sealed in individual plastic bags for protection on site.
The transition from the Tee to the flange connecting the isolation/air valve assembly is made using a standard Coupler and Flange adaptor onto the Tee's spigot outlet.
NOTE: The pipe and spigot ends must be prepared in accordance with the general installation instructions using a spigot mechanical peeler, 90% Isopropyl alcohol wipes.
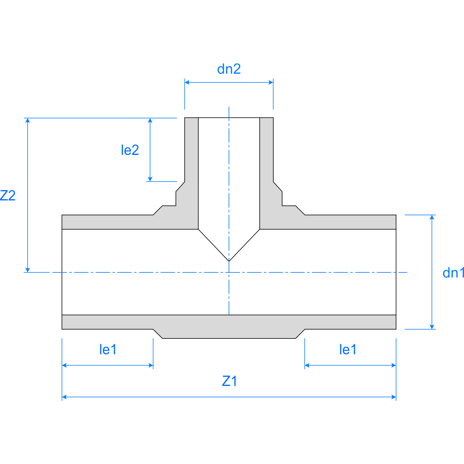
| Table shows DN80 and DN100 offtakes, larger DN150 & DN200 (dn180 & dn250) offtakes are available here. | ||||||||
|
Product Code |
dn1 |
dn2 |
L |
le1 |
le2 |
Z1 |
Z2 |
Availability in Hong Kong |
|
P5826.22.250090 |
250 |
90 |
440 |
135 |
84 |
440 |
249 |
Ex-Stock |
|
P5826.22.250125 |
250 |
125 |
475 |
135 |
92 |
475 |
257 |
Ex-Stock |
|
P5826.22.315090 |
315 |
90 |
504 |
155 |
84 |
504 |
293 |
Ex-Stock |
|
P5826.22.315125 |
315 |
125 |
539 |
155 |
92 |
539 |
301 |
Ex-Stock |
