Discharge Assembly
Hong Kong sewer rising mains typically discharge via an embedded 90º bend and Bellmouth into the discharge chamber at the end of the pipeline. This design of discharge assembly helps to minimise air intake into the line when pumping ceases.
Traditional designs use Ductile Iron fittings (see Fig.1 below), the problem is the life span is short, 10-15 years before replacement or significant maintenance is required due to the H2SO4 (Sulphuric acid) which rapidly attacks Ductile Iron and concrete surfaces (See Fig.2 below).
Mill-Pro fabricates a typical DSD sewer rising main discharge assembly in Polyethylene. This includes an integrated puddle flange to anchor the end of the pipeline into the chamber against both pressure and thermal forces. The puddle flange includes hydrophilic sealing rings to ensure no leakage of sewer from the chamber around the fitting.
The assembly is factory fabricated to order from PE100+ standard fittings available on our website (Elbows, Bell-mouth & Puddle Flange). A PE assembly has a 100-year operating life, 6x longer than equivalent DI fittings.
-
Fig.1 Traditional discharge assembly in DI fittings. THIS DESIGN IS NOT SUITABLE FOR PE.
-
Fig.2 Ductile Iron Bell-mouth corroded by Hydrogen Sulphide Gas
-
Fig.3 Preferred design using standard PE fittings in the same chamber
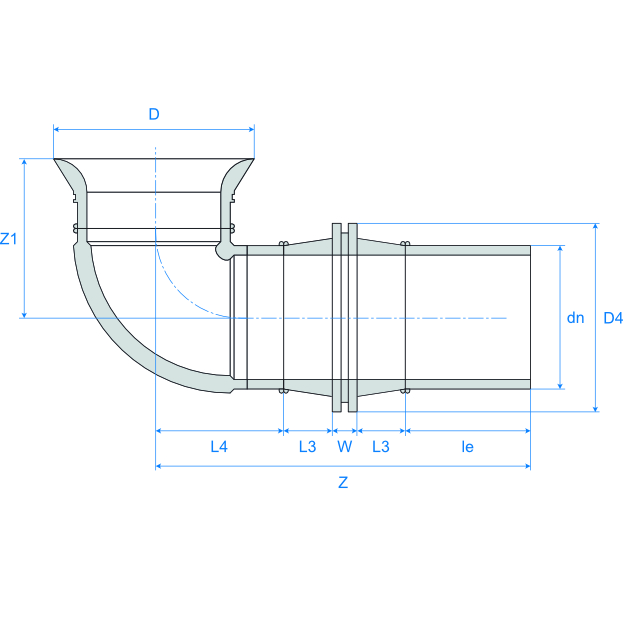
Polyethylene Discharge Assemblies / PE100+ / PN10-PN16 / SDR17-11
Factory fabricated from PE100+ standard fittings, manufactured to order base don client dimensions, supplied complete with a hydrophilic sealing ring to ensure water tightness once cast in place.
Dimensions L4, Z, Z1 & le given in the table below as the shortest possible lengths that can be fabricated. Longer lengths are available at time of order to suit the client's chamber design and wall thickness.
Dimension 'le' should be outside of the chamber wall to provide sufficient length to connect the puddle to the pipe using an electrofusion coupler.
| Larger sizes up to 2000 OD are available, Contact us for design drawings. | ||||||||
| AoR Dimensions are Available on Request | ||||||||
| When designing the discharge chamber, dimensions L4, Z, Z1 & le can be manufactured any length, but not less than the dimensions given in the table above. | ||||||||
| Pipe Size | Bellmouth OD | Puddle thickness | Puddle OD | Taper | Long Spigot | Min. Dimension | Min. Dimension | Height |
| dn | D | W | D4 | L3 | le | L4 | Z | Z1 |
| 110 | 146 | 20 | AoR | AoR | ≥150 | ≥233 | ≥503 | ≥171 |
| 160 | 213 | 20 | AoR | AoR | ≥150 | ≥267 | ≥537 | ≥238 |
| 200 | 266 | 20 | AoR | AoR | ≥150 | ≥293 | ≥563 | ≥292 |
| 225 | 299 | 20 | AoR | AoR | ≥150 | ≥310 | ≥580 | ≥323 |
| 250 | 332 | 20 | AoR | AoR | ≥250 | ≥326 | ≥696 | ≥355 |
| 280 | 373 | 21 | AoR | AoR | ≥250 | ≥346 | ≥717 | ≥402 |
| 355 | 473 | 27 | AoR | AoR | ≥300 | ≥389 | ≥824 | ≥497 |
| 400 | 532 | 30 | AoR | AoR | ≥300 | ≥411 | ≥861 | ≥546 |
| 450 | 599 | 34 | AoR | AoR | ≥300 | ≥435 | ≥905 | ≥521 |
| 500 | 666 | 37 | AoR | AoR | ≥350 | ≥461 | ≥996 | ≥565 |
| 560 | 746 | 42 | AoR | AoR | ≥350 | ≥488 | ≥1048 | ≥619 |
| 630 | 839 | 47 | AoR | AoR | ≥350 | ≥522 | ≥1107 | ≥681 |
