Bellmouth Fittings
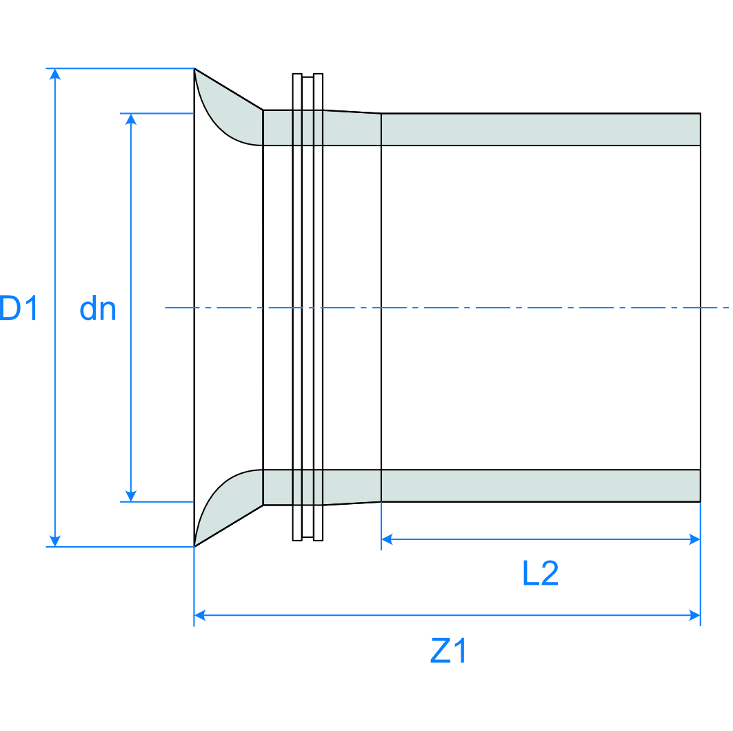
Black Bellmouth / Long Spigot / PN16 / SDR11
Mill-Pro's fabricated Black PE100+ long spigot Bellmouth fittings are designed for embedment in concrete to replace traditional ductile Iron bellmouth discharge fittings and connect directly by electrofusion to the incoming our outgoing PE pipe. They feature a full tensile strength puddle flange, complete with an integrated waterstop Hydrophilic sealing ring to ensure watertight encasement.
Can be factory fabricated with elbows or other fittings into the required compact design for complete encasement.
| Available in PN10 / SDR17 in sizes up to dn630 | ||||||
| Bellmouth fittings are not designed for horizontal encasement into the base reservoir walls where significant head may be applied to the waterstop hydrophilic seal. In such applications contact us for alternate designs. | ||||||
| Product Code | dn | ID mean | D1 | L2 | Z1 | Availability in Hong Kong | 
| P531E.065.110 | 110 | 96 | 144 | 150 | 294 | 6-8 weeks | 
| P531E.065.160 | 160 | 140 | 210 | 150 | 305 | 6-8 weeks | 
| P531E.065.200 | 200 | 175 | 263 | 150 | 314 | 6-8 weeks | 
| P531E.065.225 | 225 | 197 | 295 | 150 | 319 | 6-8 weeks | 
| P531E.065.250 | 250 | 219 | 328 | 250 | 425 | 6-8 weeks | 
| P531E.065.280 | 280 | 245 | 368 | 250 | 432 | 6-8 weeks | 
| P531E.065.315 | 315 | 276 | 386 | 300 | 479 | 6-8 weeks | 
| P531E.065.355 | 355 | 311 | 435 | 300 | 493 | 6-8 weeks | 
| P531E.065.400 | 400 | 350 | 490 | 300 | 510 | 6-8 weeks | 
| P531E.065.450 | 450 | 394 | 552 | 300 | 531 | 6-8 weeks | 
| P531E.065.500 | 500 | 438 | 613 | 350 | 599 | 6-8 weeks | 
| P531E.065.560 | 560 | 490 | 687 | 350 | 624 | 6-8 weeks | 
| P531E.065.630 | 630 | 552 | 773 | 350 | 651 | 6-8 weeks | 
| P531E.065.710 | 710 | 622 | 871 | 350 | 683 | 6-8 weeks | 
| P531E.065.800 | 800 | 701 | 981 | 350 | 717 | 6-8 weeks | 
| P531E.065.900 | 900 | 788 | 1104 | 400 | 809 | 6-8 weeks | 
| P531E.065.1000 | 1000 | 876 | 1227 | 400 | 847 | 6-8 weeks | 
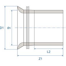
Black Bellmouth / Butt Fusion / PN16 / SDR11
Mill-Pro's fabricated Black PE100+ butt weld Bellmouth fittings are designed for embedment in concrete to replace traditional ductile Iron bellmouth discharge fittings and connect to other PE components by butt fusion. They feature a full tensile strength puddle flange, complete with an integrated waterstop Hydrophilic sealing ring to ensure watertight encasement.
Typically factory fabricated with elbows or other fittings into the required compact design for complete encasement.
| Bellmouth fittings are not designed for horizontal encasement into the base reservoir walls where significant head may be applied to the waterstop hydrophilic seal. In such applications contact us for alternate designs. | ||||||
| Product Code | dn | ID mean | D1 | L2 | Z1 | Availability in Hong Kong | 
| P231E.065.110 | 110 | 96 | 144 | 28 | 172 | 6-8 weeks | 
| P231E.065.160 | 160 | 140 | 210 | 40 | 195 | 6-8 weeks | 
| P231E.065.200 | 200 | 175 | 263 | 50 | 214 | 6-8 weeks | 
| P231E.065.225 | 225 | 197 | 295 | 55 | 224 | 6-8 weeks | 
| P231E.065.250 | 250 | 219 | 328 | 60 | 235 | 6-8 weeks | 
| P231E.065.280 | 280 | 245 | 368 | 70 | 252 | 6-8 weeks | 
| P231E.065.315 | 315 | 276 | 386 | 80 | 259 | 6-8 weeks | 
| P231E.065.355 | 355 | 311 | 435 | 90 | 283 | 6-8 weeks | 
| P231E.065.400 | 400 | 350 | 490 | 95 | 305 | 6-8 weeks | 
| P231E.065.450 | 450 | 394 | 552 | 95 | 326 | 6-8 weeks | 
| P231E.065.500 | 500 | 438 | 613 | 95 | 344 | 6-8 weeks | 
| P231E.065.560 | 560 | 490 | 687 | 95 | 369 | 6-8 weeks | 
| P231E.065.630 | 630 | 552 | 773 | 95 | 396 | 6-8 weeks | 
| P231E.065.710 | 710 | 622 | 871 | 100 | 433 | 6-8 weeks | 
| P231E.065.800 | 800 | 701 | 981 | 100 | 467 | 6-8 weeks | 
| P231E.065.900 | 900 | 788 | 1104 | 100 | 509 | 6-8 weeks | 
| P231E.065.1000 | 1000 | 876 | 1227 | 100 | 547 | 6-8 weeks | 

 
                     
                     
                    