Type B / Rigid Manhole Connector / Single Spigot
This connector s designed to be cast flush against the internal chamber wall. Installed up against the internal formwork during chamber construction with the outlet approximately between 80-100º to the chamber wall.
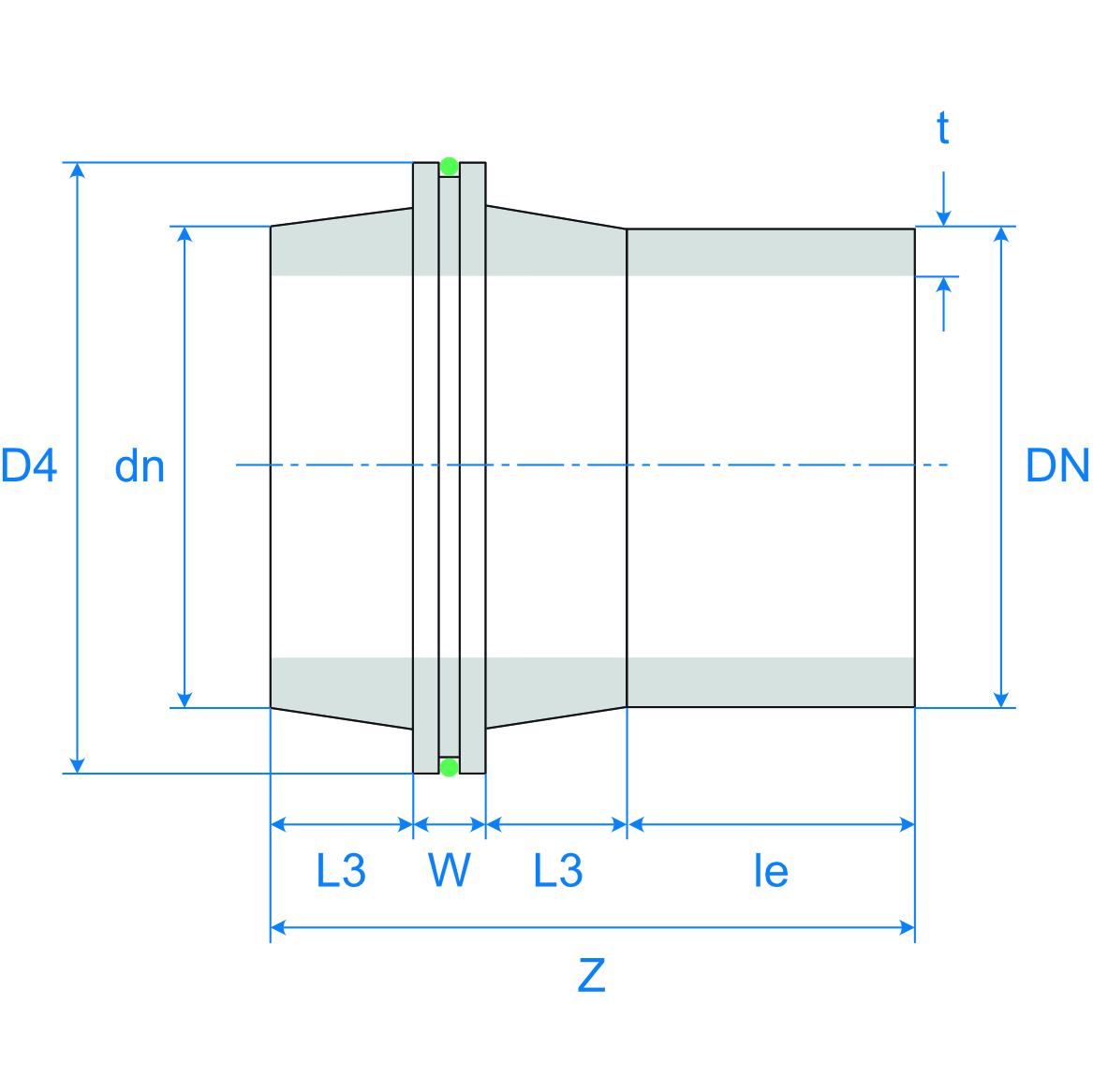
Type B / Rigid Manhole Connector / Single Spigot / SDR17 / Long Spigot
Machined from PE100 hollow bar, this fitting includes a hydrophilic sealing ring in the outer edge of the puddle, sealed for exposure on site. Supplied in Long Spigot (LS) design for electrofusion joining on site and sizes DN800 and above are supplied for butt welding.
| *SDR21 | |||||||||
| **SDR26 | |||||||||
| Product Code | Pipe OD | Connection size | Wall thickness | Puddle thickness | Puddle OD | Taper | Spigot length | Length | Availability in Hong Kong |
| SDR17 SN24 | dn | DN | t | W | D4 | L3 | le | Z | |
| P531E.143.110 | 110 | 100 | 6.6 | 20 | 138 | 50 | 150 | 270 | 6-8 weeks |
| P531E.143.160 | 160 | 150 | 9.5 | 20 | 200 | 50 | 150 | 270 | 6-8 weeks |
| P531E.143.200 | 200 | 175 | 11.9 | 20 | 250 | 50 | 150 | 270 | 6-8 weeks |
| P531E.143.225 | 225 | 200 | 13.4 | 20 | 282 | 50 | 150 | 270 | 6-8 weeks |
| P531E.143.250 | 250 | 225 | 14.8 | 20 | 313 | 50 | 250 | 370 | Ex-stock |
| P531E.143.280 | 280 | 250 | 16.6 | 21 | 350 | 50 | 250 | 371 | 6-8 weeks |
| P531E.143.355 | 355 | 300 | 21.1 | 27 | 444 | 54 | 300 | 435 | Ex-stock |
| P531E.143.400 | 400 | 375 | 23.7 | 30 | 500 | 60 | 300 | 450 | 6-8 weeks |
| P531E.143.450 | 450 | 400 | 26.7 | 34 | 563 | 68 | 300 | 470 | 6-8 weeks |
| P531E.143.500 | 500 | 560 | 29.7 | 37 | 625 | 74 | 350 | 535 | 6-8 weeks |
| P531E.143.560 | 560 | 500 | 33.2 | 42 | 700 | 84 | 350 | 560 | 6-8 weeks |
| P531E.143.630 | 630 | 525 | 37.4 | 47 | 788 | 94 | 350 | 585 | 6-8 weeks |
| P531E.143.710 | 710 | 600 | 42.1 | 53 | 888 | 106 | 350 | 615 | 6-8 weeks |
| P531E.143.800 | 800 | 675 | 47.4 | 59 | 1000 | 118 | 350 | 645 | 6-8 weeks |
Type B / Rigid Manhole Connector / Single Spigot / Butt Fusion
| *SDR21 | |||||||||
| **SDR26 | |||||||||
| Product Code | Pipe OD | Connection size | Wall thickness | Puddle thickness | Puddle OD | Taper | Spigot length | Length | Availability in Hong Kong |
| SDR17 SN24 | dn | DN | t | W | D4 | L3 | le | Z | |
| P231E.143.900 | 900 | 825 | 53.3 | 67 | 1045 | 134 | 100 | 435 | 6-8 weeks |
| P231E.143.1000 | 1000 | 900 | 59.3 | 74 | 1161 | 148 | 100 | 470 | 6-8 weeks |
| P231E.143.1200 | 1200 | 1050 | 71.1 | 89 | 1393 | 178 | 100 | 545 | 6-8 weeks |
| P231D.143.1300 | 1300 | 1200 | 62.1* | 78 | 1474 | 156 | 100 | 490 | 6-8 weeks |
| P231D.143.1400 | 1400 | 1300 | 66.7* | 84 | 1587 | 168 | 100 | 520 | 6-8 weeks |
| P231D.143.1600 | 1600 | 1350 | 76.2* | 96 | 1813 | 192 | 100 | 580 | 6-8 weeks |
| P231C.143.1800 | 1800 | 1650 | 68.8** | 87 | 1998 | 174 | 100 | 535 | 6-8 weeks |
| P231C.143.2000 | 2000 | 1800 | 76.4** | 96 | 2220 | 194 | 100 | 584 | 6-8 weeks |
Note: Hydrophilic sealing ring is not fitted in the picture below.
